主页(http://www.pttcn.net):KN-Q10B电台频偏故障维修一例 KN-Q10B电台(以下简称“Q10B”)是由BA6BF开发的Q系列电台之一。该电台采用双DDS+PLL构架。收发频率囊括80m、40m、20m、15m、10m等5个业余频段,20W的发射功率,通过菜单可以方便的选择6个不同带宽的中频滤波器,具有体积小巧、操作简便、频率稳定、灵敏度高、接收底噪低的特点,是一款非常适合野外架台使用的小电台。
近日我使用的一台序列号为0462的Q10B电台出现故障,现象为无规律的频偏。开机在14.270MHz收听国内HAM通联时发现频率有无规律的频偏现象,有时候频率很准确,有时候可能向上或下偏离100~200Hz,偏离的多少和时间也没有什么规律,并且频偏不是渐进的而是突发的。进一步观察发现无论是CW还是SSB模式都存在类似的频偏现象。
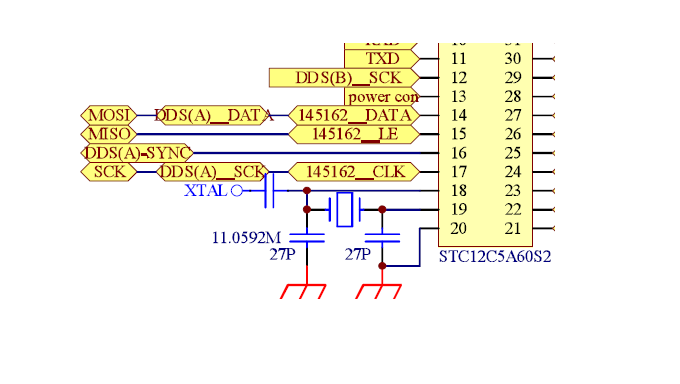
一般DIY电台通常采用固定晶体震荡器产生BFO的方案,这样的电台如果出现频偏则多是由于BFO频率偏移造成的。由于本机采用的是双DDS+PLL的构造,BFO由DDS芯片AD8933直接产生,VFO由DDS芯片AD9833控制PLL电路产生,而VFO,BFO频率的稳定性是由系统时钟决定的,由于没有单独的BFO震荡器,因此BFO频偏的可能性不大,暂时不考虑BFO的故障,于是故障的焦点便集中在CPU的系统时钟上。
参考Q10B的电路图, CPU18、19脚外接11.0592MHz石英晶体便是系统时钟的震荡元件。接收状态下用频率计接在XTAL点上测试时钟频率,发现伴随着频偏的发生系统时钟也会在11.0595MHz附近有100~200Hz的变化。由此做出判断,石英晶体性能不够稳定是整机频偏的原因,11.0592MHz石英晶体是一款很常用的晶体在电子市场花几元钱就可以买到。正好卖配件的老板和我是熟人就送了我一只,回来装机经过24小时试机,频率一直很稳定,至此修理圆满结束,小电台又恢复了青春。 维修经验: 1.开机半小时经过预热后再测量时钟频率; 2.频率计的探头不要直接接在晶体的管脚上,这样容易引起频率漂移造成测量结果不准确,正确的做法是将探头接在XTAL点; 3.焊接晶体时速度要快,电烙铁的功率不宜太大,否则容易将晶体烫坏。另外由于晶体的内部材质比较硬脆剧烈的震动容易造成晶体损坏。 石英晶体小贴士 石英晶体又称石英晶振,是指把石英晶体按一定方位角切成薄片(简称为晶片),再在晶片的两面镀上银导电层,在银导电层上连接上引出脚,一般用金属封装也有用玻璃、陶瓷、塑料封装的。石英晶体具有固定的谐振频率,其谐振频率取决于晶片的尺寸薄厚。因其工作频率稳定,因此广泛应用在CPU时钟、无线电收发信机等需要高频震荡的电路中。因晶片质地脆硬受剧烈震动时容易损坏所以使用过程中应尽量避免剧烈震动。 (中国集群通信网 | 责任编辑:陈晓亮) |



